Den högeffekts 1653,7nm lasermodulen använder en plan konstruktion med chip på underbärare. Den höga power chip är hermetiskt förseglad i ett epoxifritt och flussfritt 14-stifts fjärilspaket och försett med en termistor, termoelektrisk kylare och monitordiod för att säkerställa högkvalitativ laserprestanda. 1653nm 40mW BTF-laserdioder för metangasdetektering är Telcordia GR-468-kvalificerade och i enlighet med RoHS-direktiven.
Den högeffekts 1653,7nm lasermodulen använder en plan konstruktion med chip på underbärare. Högeffektschippet är hermetiskt förseglat i ett epoxifritt och flödesfritt 14-stifts fjärilspaket och försett med en termistor, termoelektrisk kylare och monitordiod för att säkerställa högkvalitativ laserprestanda. Våra laserprodukter är Telcordia GR-468-kvalificerade och i enlighet med RoHS-direktiven.
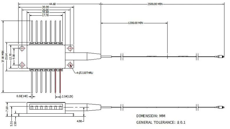
● Branschstandard 14-stifts fjärilspaket;
● Inbyggd TEC och optisk isolator;
● Högpresterande, multiquantum well (MQW) distributed-feedback (DFB) laser.
● Produktionstestning av passiva komponenter för gasdetektering;
● System för detektering av fibergas;
● Laserkällor.
| Parameter | Symbol | Skick | Min. | Typ. | Max. | Enhet |
| Centrumvåglängd | lc | Tl = 15 ~ 35 ℃ kv | 1652.7 | 1653.7 | 1654.7 | nm |
| Optisk uteffekt | Efter | CW | - | 40 | - | mW |
| LD Tröskelström | ITH | CW | - | 15 | 40 | mA |
| LD Framström | Om | Pf = Nominell effekt | - | 300 | 400 | mA |
| Optisk isolering | - | -10 < TC < +70 ℃ | 30 | - | - | dB |
| Undertryckningsförhållande för sidoläge | SMSR | CW | 35 | 40 | - | dB |
| Övervaka lyhördhet | Vaccination | - | - | 1 | 20 | var /mw |
| Övervaka svarsstabilitet | - | - | - | - | 20 % | - |
| Övervaka mörkström | Id | VPD = 5V | - | - | 50 | nA |
| TEC Aktuell | ITEC | Tcase =75℃ | - | - | 2 | A |
| TEC-spänning | VTEC | Tcase =75℃ | - | - | 3.5 | V |
| TEC strömförbrukning | P | Tstg =25℃ | - | - | 5 | W |
| Termistormotstånd | Rth | Tcase =75℃ | 9.5 | 10 | 10.5 | Kohm |
| Termistor B konstant | Bth | Tstg =25℃ | - | 3900 | - | K |
| Våglängdsdrift (EOL) | △λ | Testad över 25 års livslängd | - | - | ±0,1 | nm |
| Våg. Temperaturkoefficient | Dl/Dt | TEC-temperatur vid 15℃ till 35℃ | - | 0.09 | - | nm/℃ |
| Våglängd Strömkoefficient | Dl/DI | - | - | 0.01 | - | NM / in |

Alla produkter har testats innan de skickas ut;
Alla produkter har 1 års garanti.(Efter att kvalitetsgarantiperioden började ta ut lämplig underhållsserviceavgift.)
Vi uppskattar din verksamhet och erbjuder en omedelbar 7 dagars returpolicy. (7 dagar efter mottagandet av varorna);
Om varorna du köper från vår butik inte är av perfekt kvalitet, det vill säga att de inte fungerar elektroniskt enligt tillverkarens specifikationer, returnera dem helt enkelt till oss för utbyte eller återbetalning;
Om varorna är defekta, vänligen meddela oss inom 3 dagar efter leverans;
Alla föremål måste returneras i originalskick för att kvalificera sig för återbetalning eller ersättning;
Köparen står för alla uppkomna fraktkostnader.
F: Vad är noggrannheten på våglängden?
A: +/-0,5 nm.
F: Har du andra versioner av uteffekten?
A: 10mW, 15mW, 50mW.
C-bands smal linjebredd integrerad avstämbar laserenhet ITLA
1550nm 40mW 200Khz smal linjebredd DFB Butterfly Laser Diode
1550nm 40mW 600Khz DFB Butterfly Package Smal linjebredd laserdiod
1550nm 50mW 100Khz smal linjebredd DFB Butterfly Laser Diode
1550nm 2mW 5mW Koaxial laserdiod med smal linjebredd
1550NM 100MW 100KHz smal linjebredd DFB -laserdiode BTF med SM/PM -fiberCopyright @ 2020 Shenzhen Box Optronics Technology Co., Ltd. - China Fiber Optic Modules, Fiber Coupled Lasers Manufacturer, Laser Components Leverantörer alla rättigheter reserverade.