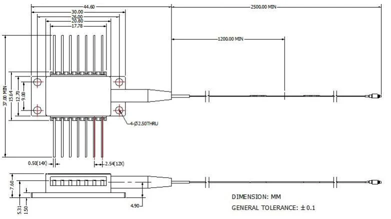
1653nm 40mW DFB-laserdiod för metansensor CH4-avkänning använder en plan konstruktion med chip på underbärare. Högeffektschippet är hermetiskt förseglat i ett epoxifritt och flödesfritt 14-stifts fjärilspaket och försett med en termistor, termoelektrisk kylare och monitordiod för att säkerställa högkvalitativ laserprestanda. Våra laserprodukter är Telcordia GR-468-kvalificerade och i enlighet med RoHS-direktiven.
1653nm 40mW DFB-laserdiod för metansensor CH4-avkänning använder en plan konstruktion med chip på underbärare. Högeffektschippet är hermetiskt förseglat i ett epoxifritt och flödesfritt 14-stifts fjärilspaket och försett med en termistor, termoelektrisk kylare och monitordiod för att säkerställa högkvalitativ laserprestanda. Våra laserprodukter är Telcordia GR-468-kvalificerade och i enlighet med RoHS-direktiven.
Branschstandard 14-stifts fjärilspaket;
Inbyggd TEC och optisk isolator;
Högpresterande, multiquantum well (MQW) distributed-feedback (DFB) laser.
Produktionstestning av passiva komponenter för gasdetektering;
System för detektering av fibergas;
Laserkällor.
| Parameter | Symbol | Skick | Min. | Typ. | Max. | Enhet |
| Centrumvåglängd | λc | TL=15~35℃ CW | 1652.7 | 1653.7 | 1654.7 | nm |
| Optisk uteffekt | Po | CW | - | 40 | - | mW |
| LD Tröskelström | ITH | CW | - | 15 | 40 | mA |
| LD Framström | Om | Pf = Nominell effekt | - | 300 | 400 | mA |
| Optisk isolering | - | -10 < TC < +70 ℃ | 30 | - | - | dB |
| Undertryckningsförhållande för sidoläge | SMSR | CW | 35 | 40 | - | dB |
| Övervaka lyhördhet | Jag /Pf | - | - | 1 | 20 | uA/mW |
| Övervaka svarsstabilitet | - | - | - | - | 20 % | - |
| Övervaka mörkström | Id | VPD = 5V | - | - | 50 | nA |
| TEC Aktuell | ITEC | Tcase =75℃ | - | - | 2 | A |
| TEC-spänning | VTEC | Tcase =75℃ | - | - | 3.5 | V |
| TEC strömförbrukning | P | Tstg =25℃ | - | - | 5 | W |
| Termistormotstånd | Rth | Tcase =75℃ | 9.5 | 10 | 10.5 | Kohm |
| Termistor B konstant | Bth | Tstg =25℃ | - | 3900 | - | K |
| Våglängdsdrift (EOL) | △λ | Testad över 25 års livslängd | - | - | ±0,1 | nm |
| Våg. Temperaturkoefficient | Δλ/ΔT | TEC-temperatur vid 15℃ till 35℃ | - | 0.09 | - | nm/℃ |
| Våglängd Strömkoefficient | Δλ/ΔΙ | - | - | 0.01 | - | nm/mA |

Alla produkter har testats innan de skickas ut;
Alla produkter har 1-3 års garanti.(Efter att kvalitetsgarantiperioden började ta ut lämplig underhållsserviceavgift.)
Vi uppskattar din verksamhet och erbjuder en omedelbar 7 dagars returpolicy. (7 dagar efter mottagandet av varorna);
Om varorna du köper från vår butik inte är av perfekt kvalitet, det vill säga att de inte fungerar elektroniskt enligt tillverkarens specifikationer, returnera dem helt enkelt till oss för utbyte eller återbetalning;
Om varorna är defekta, vänligen meddela oss inom 3 dagar efter leverans;
Alla föremål måste returneras i originalskick för att kvalificera sig för återbetalning eller ersättning;
Köparen står för alla uppkomna fraktkostnader.
F: Vad är noggrannheten på våglängden?
A: +/-0,5 nm.
F: Har du andra versioner av uteffekten?
A: 10mW, 15mW, 50mW.
Copyright @ 2020 Shenzhen Box Optronics Technology Co., Ltd. - Kina fiberoptiska moduler, tillverkare av fiberkopplade laser, leverantörer av laserkomponenter. Alla rättigheter reserverade.