850nm Fabry Perot FP Fiberkopplad laserdiod
  • 850nm Fabry Perot FP Fiberkopplad laserdiod 850nm Fabry Perot FP Fiberkopplad laserdiod
  • 850nm Fabry Perot FP Fiberkopplad laserdiod 850nm Fabry Perot FP Fiberkopplad laserdiod
  • 850nm Fabry Perot FP Fiberkopplad laserdiod 850nm Fabry Perot FP Fiberkopplad laserdiod
  • 850nm Fabry Perot FP Fiberkopplad laserdiod 850nm Fabry Perot FP Fiberkopplad laserdiod
  • 850nm Fabry Perot FP Fiberkopplad laserdiod 850nm Fabry Perot FP Fiberkopplad laserdiod

850nm Fabry Perot FP Fiberkopplad laserdiod

850nm Fabry-Perot (FP) fjärilslaserdiod i flera längdriktningar, med ett standardfjärilspaket med inbyggd TEC-temperaturkontroll och övervakning av PD, som levererar stabil och pålitlig optisk utgång.

Skicka förfrågan

Produktbeskrivning

850nm Fabry-Perot (FP) fjärilslaserdiod i flera längdriktningar, med ett standardfjärilspaket med inbyggd TEC-temperaturkontroll och övervakning av PD, som levererar stabil och pålitlig optisk utgång.


Drag

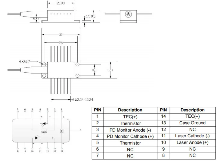
14pin Butterfly-paket;

Inbyggd termistor och TEC;

Fibertyp kan vara SM630-HP fiber;

Driftstemperatur:-20~ +70 ℃.


Ansökningar

Optiskt instrument;

Laserkälla.


Elektro-optiska egenskaper (T=25℃)

Parameter Symbol Skick Min. Typ. Max. Enhet
Arbetsvåglängd λc CW, 25℃ 840 850 860 nm
Optisk uteffekt PF - 30 - - mW
Tröskelström ITH 25℃ - 10 35 mA
Driftström IOP CW - 255 275 mA
Driftspänning VOP 25℃ - 2.1 2.3 V
Övervaka ström IMON VRM = 5V 50 - 1500 μA
MPD Mörkström ID VRM = 5V - - 50 μA
Termistorresistans RTH 25℃ 9.5 10 10.5
Termistor B-värde β 25 ℃/80 ℃ - 3950 - K


Paketritning & PIN-OUT Definition (Enhet:mm)

850nm Fabry Perot Fp Fiber Coupled Laser Diode


Leverera, frakt och servering

Alla produkter har testats innan de skickas ut;

Alla produkter har 1-3 års garanti.(Efter att kvalitetsgarantiperioden började ta ut lämplig underhållsserviceavgift.)

Vi uppskattar din verksamhet och erbjuder en omedelbar 7 dagars returpolicy. (7 dagar efter mottagandet av varorna);

Om varorna du köper från vår butik inte är av perfekt kvalitet, det vill säga att de inte fungerar elektroniskt enligt tillverkarens specifikationer, returnera dem helt enkelt till oss för utbyte eller återbetalning;

Om varorna är defekta, vänligen meddela oss inom 3 dagar efter leverans;

Alla föremål måste returneras i originalskick för att kvalificera sig för återbetalning eller ersättning;

Köparen står för alla uppkomna fraktkostnader.

850nm Fabry Perot Fp Fiber Coupled Laser Diode


FAQ

F: Finns det en matchande laserdrivrutin tillgänglig?

A: Ja. Vi kan också integrera dioden och drivrutinen för att vara en laserkällmodul.


F: Har du någon annan våglängds FP-laser?

A: Ja, 488nm/ 520nm/ 532nm/ 660nm/ 850nm/ 1064nm... Kontakta oss för mer information.


Hot Tags: 850nm Fabry Perot FP fiberkopplad laserdiod, tillverkare, leverantörer, grossist, fabrik, anpassad, bulk, Kina, tillverkad i Kina, billigt, lågt pris, kvalitet

Relaterad kategori

Skicka förfrågan

Lämna gärna din förfrågan i formuläret nedan. Vi kommer att svara dig inom 24 timmar.
X
Vi använder cookies för att ge dig en bättre webbupplevelse, analysera webbplatstrafik och anpassa innehåll. Genom att använda denna sida godkänner du vår användning av cookies. Sekretesspolicy
Avvisa Acceptera